
綠惜森林-廢舊輪胎循環利用
利用先進熱裂解技術將廢舊輪胎轉化成。 裂解油、碳黑、鋼絲等 實現廢物再利用♻️
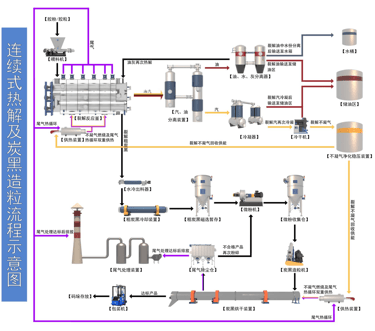
廢舊輪胎熱裂解技術
200℃-450℃低温热烈解-环保、高效、低污染
裂解油、鋼絲、碳黑等產品。
綠惜森林創新的生產線設計搭配獨家設計的裂解氣發電機。令綠色森林的裂解生產線比傳統的生產線更高效更環保
綠色回收產品
創新技術
關於我們
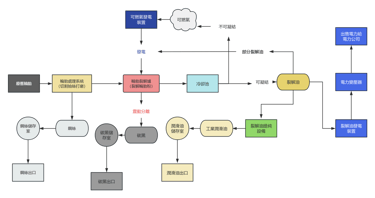
我们香港綠惜森林科技有限公司,為解決香港日益嚴重的廢舊輪胎問題而設,是專注輪胎裂解回收的新創科技企業,致力於環保與資源再利用。
公司技術團隊經驗豐富,早在2014年便於廣東雲浮成立新能高科有限公司,並建成輪胎裂解廠。
憑藉成熟技術,公司將廢舊輪胎轉化為燃料油、炭黑、鋼絲等可再利用資源,既減少環境污染,亦創造經濟效益。


10年輪胎裂解經驗
公司團隊於2014年於廣東省設立了年處理量2萬噸的大型輪胎裂解廠至今已有10年相關行業經驗
10萬噸廢舊輪胎處理
多年來的運營輪胎裂解廠處理超過10萬噸廢舊輪胎為環保貢獻巨大力量
變廢為寶
我們利用低溫裂解技術,將廢舊輪胎轉化成環保產品,助力可持續發展。
裂解油产出
通過低溫熱裂解,我們提取高質量裂解油,滿足多樣工業要求。


鋼絲回收
我們從廢舊輪胎中抽取鋼絲,減少資源浪費,促進循環經濟
碳黑生產
我們的技術可以高效生產碳黑,廣泛應用於橡膠和塑料行業。




最新裂解生產線
展示我們最新的裂解生產線設計。








